MRC

פרויקט הפרדת חנקן והנזלה – תכנון כולל של תהליך מתקדם לשימושים תעשייתיים

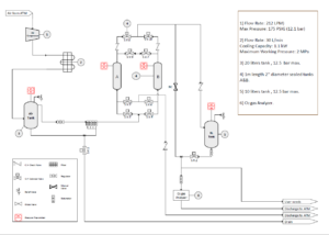
בפרויקט זה, תוכננה מערכת הנדסית כוללת ליצירת חנקן ברמות טוהר גבוהות של 98% עד 99.9% תוך שימוש בטכנולוגיות מתקדמות להפרדת חמצן בספיחה והנזלת חנקן באמצעות מערכות קירור ייחודיות. המערכת מותאמת לצרכים תעשייתיים הדורשים פתרונות מדויקים, יעילים ואמינים, ומבוססת על שילוב בין תכנון הנדסי מתקדם לבין טכנולוגיה חדשנית.

שלבי התכנון והפיתוח

הפרויקט החל בתכנון מפורט של תהליך ההפרדה, המבוסס על טכנולוגיית ספיחה מתקדמת (PSA – Pressure (Swing Adsorption המאפשרת הפרדה אפקטיבית של חמצן מהאוויר, והשגת רמות חנקן טהור. לאחר מכן, הוטמעה מערכת קירור ייחודית להנזלת החנקן, המאפשרת מעבר למצב נוזלי ואחסון בצפיפות נמוכה.

במקביל, תוכנן מארז הנדסי מותאם אישית, אשר משלב בתוכו את כל הרכיבים הנדרשים – מסננים, שסתומים, בקרים אלקטרוניים, צנרת חיבורים ומערכות קירור מתקדמות. המארז עוצב כך שיהיה קומפקטי, עמיד ונגיש, עם אפשרות לתפעול ותחזוקה קלים ומהירים.

יתרונות המערכת

המערכת שתוכננה מספקת פתרון כולל המשלב יעילות אנרגטית גבוהה, יכולת ייצור מדויקת וניהול חכם של תהליכי הקירור וההפרדה. שילוב הטכנולוגיות בתכנון אחד מספק חנקן באיכות גבוהה המתאים למגוון רחב של שימושים תעשייתיים, תוך הפחתת צריכת האנרגיה ושיפור אמינות תפעולית. תהליך ההפרדה וההנזלה עוצב כך שיעמוד בדרישות המחמירות ביותר של הלקוחות ושל התקנים הבינלאומיים.

תוצאה חדשנית ומרשימה

מערכת זו מדגימה את החשיבות של תכנון הוליסטי, שמשלב בין ההיבטים ההנדסיים והטכנולוגיים, החל מהפרדת החמצן באוויר ועד להנזלת החנקן, כל רכיב במערכת נבחר ותוכנן בקפידה על מנת להבטיח פעולה מיטבית לאורך זמן. פרויקט זה מדגיש את יכולתנו לשלב בין טכנולוגיה מתקדמת לפתרונות מותאמים אישית, תוך מענה לאתגרים הנדסיים ותפעוליים מורכבים.

לשיחת ייעוץ חינם

השאירו פרטים ונחזור אליכם בהקדם האפשרי