פרויקט מערכת אגירת אוויר דחוס ליישומי קירור – פתרון הנדסי מתקדם
בפרויקט זה פותחה מערכת מתקדמת לאגירת אוויר דחוס, המיועדת לשימושים בתחום הקירור. המערכת תוכננה ויושמה מתוך מטרה להתמודד עם אתגרים תפעוליים מורכבים ולספק מענה טכנולוגי מתקדם ואמין.
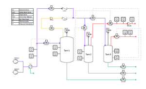
המערכת מבוססת על שלושה טנקים לאגירת אוויר דחוס, המחוברים באמצעות שסתומים סולנואידיים (S.V) ושסתומי בטיחות (S.R.V) המבטיחים תפעול בטוח ומבוקר. חיישני לחץ מדויקים (P.T) ותרמוקפלים (T.T) משולבים במערכת לניטור ובקרה על לחץ וטמפרטורה בזמן אמת. תכנון זה מאפשר דיוק מירבי והתאמה ללחצים משתנים.
בנוסף, מסנן אוויר מתקדם (F.1) לייבוש האוויר הדחוס שולב כחלק מהמערכת, במטרה להבטיח אספקת אוויר איכותית למערכת הקירור. מפחית לחץ ייחודי (P.R.1) הותקן לצורך הפחתת לחץ מ-10 ל-6 בר, תוך שמירה על יציבות ובטיחות. כל רכיבי המערכת עוצבו בקפידה בהתאם לתקנים מחמירים ולדרישות הלקוח.
מערכת זו מדגישה את חשיבותו של תכנון הנדסי מדויק ומתקדם, עם שילוב טכנולוגיות חדישות המותאמות לצרכים ספציפיים. ההקפדה על הפרטים בכל שלב בתהליך התכנון וההטמעה מבטיחה שהמערכת תספק ביצועים מיטביים לאורך זמן ותענה על האתגרים בצורה מיטבית.


