פרוייקטים
בואו להציץ בעבודות האחרונות שעשינו עבור הלקוחות שבחרו בנו

NEWCEPT
פרויקט מערכת אגירת אוויר דחוס ליישומי קירור – פתרון הנדסי מתקדם בפרויקט זה פותחה מערכת מתקדמת לאגירת אוויר דחוס, המיועדת
דצמבר 5, 2024

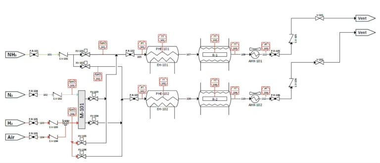
MRC
פרויקט הפרדת חנקן והנזלה – תכנון כולל של תהליך מתקדם לשימושים תעשייתיים בפרויקט זה, תוכננה מערכת הנדסית כוללת ליצירת חנקן
ספטמבר 25, 2024